Outils coupants

Nous concevons et fournissons des plans pour vos outils coupants en carbure monobloc, en PCD, en diamant, ainsi que pour toute autre configuration utilisant des plaquettes standards du marché ou des plaquettes spéciales. Nous vous fournissons les fichiers 3D selon vos préférences, ainsi que les plans 2D. . Nous vous les transmettons pour votre archivage interne. Nous pouvons aussi nous connecter à votre serveur pour réaliser le travail.

Que vous utilisiez une nouvelle machine, un nouvel opérateur ou un procédé de fabrication différent, vous bénéficierez d’une répétabilité parfaite grâce aux dessins fournis.

Au-delà de la simple réalisation de dessins techniques, nous avons pour ambition de devenir un véritable partenaire stratégique, capable de vous offrir une alternative complète et performante à votre service recherche et développement. Nous mettons à votre disposition notre expertise pour vous fournir des plans intégrant des géométries d’outils conçues à partir des technologies les plus récentes en matière d’outils coupants, ainsi que des propositions de revêtements de dernière génération, sélectionnés pour maximiser performance, durabilité et productivité.

Confiez-nous la conception de vos nouveaux outils ou l’optimisation de vos outils existants. À partir de votre cahier des charges (dimensions, géométrie souhaitée, méthode d’usinage et matière à usiner), nous développons des outils sur mesure et vous livrons des dessins techniques de haute qualité, parfaitement adaptés à vos exigences.

Outil carbure monobloc

Outil PCD et Diamant

Plaquette métal dur

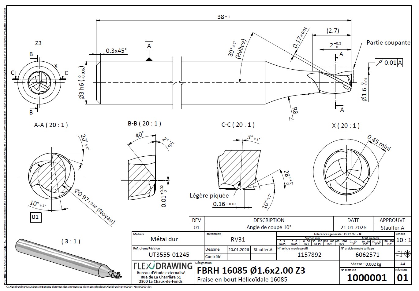
Ci-dessous, un exemple de plan pour les outils coupants.
Nous pouvons travailler avec un cartouche de ce type intégrant votre logo, ou utiliser directement votre cartouche.

Vous restez pleinement propriétaires de la totalité de la propriété intellectuelle liée à ces dessins.

Nos tarifs sont établis à la prestation ou à l’heure et reposent sur un taux horaire particulièrement compétitif.

Les logiciels de conception utilisés sont Autodesk Inventor et SolidWorks.

Flexidrawing
Rue de La Charrière 51
2300 La Chaux-de-Fonds

032.968.27.97